Intel 13代酷睿支持DLVR调压技术 功耗可降低25%
Intel的12代酷睿Alder Lake已经发布上市,剩下的主要是市场布局的问题了,下一个新品目标就是13代酷睿,之前泄露的代号为Raptor Lake,会是12代的改良版。最新爆料称13代酷睿会支持DLVR调压技术,CPU功耗可降低20-25%,性能提升7%。
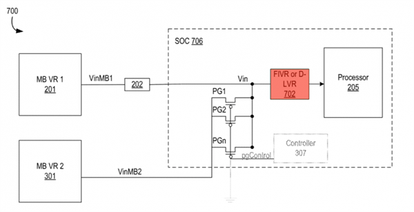
小道消息跑得很快的VC网站援引多方爆料称,Raptor Lake处理器会支持新的电压调控技术——DLVR数字线性稳压器,该技术早在2020年1月份就有出现,今年3月份曝光的PPT中也有提到,只不过大家之前不知道这是什么意思。
结合Intel的专利说明中的解释,DLVR可以跟主板上的主调压器并联,降低处理器内核的功耗,而且成本较低,复杂度也更低。
大家都知道CPU功耗跟电压息息相关,CPU/GPU等单元负载升高的时候需要更高的电压,但输入电压超过所需电压之后也会导致功耗增加,还产生额外的热量,所以稳定电压非常重要,DLVR就是可以精确控制电压的技术。
根据Intel的说法,使用DLVR技术之后,CPU电压可以降低160mV,对应的就是降低了20-25%的CPU功耗,而21%的电压下降大约就等效于提升7%的性能了。
总之,从这个爆料来看,明年的13代酷睿Raptor Lake会基于12代酷睿的大小核架构,大核数量不会增加了,但Intel重点会放在架构微调上,改进CPU缓存、LPDDR5X支持等等,新的DLVR技术也可以降低功耗,提升性能及能效。
- 全部评论(0)
15015654286 评论 科大讯飞星火认知大:大家好 期待
18458407950 评论 科大讯飞星火认知大:期待期待
17872407701 评论 科大讯飞星火认知大:好期待呀!
13869842415 评论 实践:更改“地区”:不同地区可用信道不同,澳大利亚属于可用信道很多的地区,所
13869842415 评论 实践:更改“地区”:abc就打不动我i大
15015654286 评论 火山引擎增长课堂 新:期待 期待
18139341200 评论 火山引擎增长课堂 新:多多的了解
- 酷冷至尊推出G GOLD V2金牌电源:支持ATX 3.1
- 选主板必须要懂芯片组:一文详解芯片组
- Intel Lunar Lake失去超线程!但多核性能飙升1.5倍
- 微软神秘SSD Z1000揭开面纱:主控厂商曾打败华为!
- 6.2GHz i9-14900KS发布定档3月14日:409W功耗能接受吗
- 6.2GHz i9-14900KS出厂即灰烬!电压高得不可思议
- AMD Zen6架构继续飞跃!核显跨越下下代RDNA5
- 这功耗飞起!RTX 50细节曝光
- Intel Lunar Lake超低功耗处理器首曝:24年的超线程没了!
- Intel 酷睿i9-14900KS下月推出:6.2GHz主频 功耗创纪录












酷冷至尊推出G GOLD V2金牌电源:支持
选主板必须要懂芯片组:一文详解芯片
Intel Lunar Lake失去超线程!但多核性能
微软神秘SSD Z1000揭开面纱:主控厂商曾
6.2GHz i9-14900KS发布定档3月14日:409W功耗
6.2GHz i9-14900KS出厂即灰烬!电压高得不


